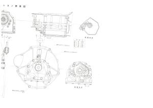
Nissan dealer service manual. This would not be something the owner would have, as the car was at the luxury end of the fleet, Nissan would do the work. As you see, the manual goes into great length with the gearbox and front brakes, as these would be all new for the technicians at the garage.
Australia (the main export market) received a english, shorter version.
日産ディーラーのサービスマニュアル。これは、車は艦隊の高級末尾にあったように、日産は仕事をするだろう、所有者が持っている何かではないでしょう。見ての通り、マニュアルでは、これらはガレージで技術者のためのすべての新しいをであるように、ギアボックス、フロントブレーキを持つ偉大な長さになります。
オーストラリア(主な輸出市場は)英語、短いバージョンを受け取りました。





















































